- +375 17 552 14 02
- +375 214 49 36 88
- +375 29 341 74 30

Общее описание
Электродвигатели серии 1LE1 относятся к оборудованию энергосберегающего типа и характеризуются всеми параметрами, имеющими первостепенное значение в условиях современных производственных процессов. 1LE1 может служить эффективной заменой оборудования 1LA7.
Технические характеристики
Компания Siemens систематически обновляет линейку электродвигателей, чтобы иметь возможность предложить своим покупателям и заказчикам действительно качественное оборудование по конкурентоспособным ценам. Так, в ходе модернизаций и инновационных процессов была разработана модель электродвигателя 1LE1, который рассматривается как целесообразная и эффективная замена модели 1LA7. Базовые отличия оборудования: модернизированная задняя крышка, за счет чего обеспечивается более действенное охлаждение подшипников. Кроме того, некоторые составляющие агрегата выполнены из алюминия. Ранее для их производства использовалась сталь. Такая замена снизила общую массу оборудования, а также стала причиной увеличения коэффициента теплоотдачи.
Технические характеристики электродвигателей 1LE1
|
Обозначение |
Мощность |
Типо-размер |
Номинальная частота вращения |
Номинальный крутящий момнет |
Энерго-эффективность по CEMEP |
КПД полная нагрузка |
КПД нагрузка 3/4 |
Скольжение полная нагрузка |
Номинальная сила тока 400В |
Масса |
|---|---|---|---|---|---|---|---|---|---|---|
|
|
кВт |
|
об/мин |
Нм |
|
% |
% |
cos |
А |
кг |
|
2-полюсные, 3000 об/мин |
||||||||||
|
1 LE1002-1AA4?-???? |
3,0 |
100 L |
2835 |
10,0 |
EFF2 |
82,6 |
83,2 |
0,9 |
6,0 |
20 |
|
1 LE1002-1BA2?-???? |
4,0 |
112 M |
2930 |
13,0 |
EFF2 |
84,8 |
84,4 |
0,9 |
7,9 |
25 |
|
1 LE1002-1CA0?-???? |
5,5 |
132 S |
2905 |
18,0 |
EFF2 |
86,0 |
86,6 |
0,9 |
10,4 |
35 |
|
1LE1002-1CA1 ?-???? |
7,5 |
132 S |
2925 |
24,0 |
EFF2 |
87,6 |
88,7 |
0,9 |
14,0 |
40 |
|
1 LE1002-1DA2?-???? |
11,0 |
160 M |
2920 |
36,0 |
EFF2 |
88,4 |
88,5 |
0,9 |
21,0 |
60 |
|
1 LE1002-1DA3?-???? |
15,0 |
160 M |
2930 |
49,0 |
EFF2 |
89,5 |
89,7 |
0,8 |
29,0 |
68 |
|
1LE1002-1DA4?-???? |
18,5 |
160 L |
2935 |
60,0 |
EFF2 |
90,9 |
91,0 |
0,9 |
34,0 |
78 |
|
4-полюсные, 1500 об/мин |
||||||||||
|
1 LE1002-1AB4?-???? |
2,2 |
100 L |
1425 |
14,8 |
EFF2 |
81,0 |
84,0 |
0,8 |
4,9 |
18 |
|
1 LE1002-1AB5?-???? |
3,0 |
100 L |
1425 |
20,2 |
EFF2 |
82,8 |
83,6 |
0,9 |
6,2 |
22 |
|
1LE1002-1BB2?-???? |
4,0 |
112 M |
1435 |
27,0 |
EFF2 |
84,2 |
85,1 |
0,8 |
8,2 |
27 |
|
1 LE1002-1CB0?-???? |
5,5 |
132 S |
1450 |
36,0 |
EFF2 |
86,0 |
86,5 |
0,8 |
11,2 |
38 |
|
1 LE1002-1CB2?-???? |
7,5 |
132 M |
1450 |
49,0 |
EFF2 |
87,0 |
87,4 |
0,8 |
15,0 |
44 |
|
1LE1002-1DB2?-???? |
11,0 |
160 M |
1460 |
72,0 |
EFF2 |
88,4 |
88,1 |
0,8 |
22,0 |
62 |
|
1 LE1002-1DB4?-???? |
15,0 |
160 L |
1460 |
98,0 |
EFF2 |
89,4 |
89,7 |
0,8 |
29,5 |
73 |
|
6-полюсные, 1000 об/мин |
||||||||||
|
1 LE1002-1AC4?-???? |
1,5 |
100 L |
940 |
15,3 |
|
74,0 |
72,6 |
0,7 |
4,0 |
19 |
|
1 LE1002-1BC2?-???? |
2,2 |
112 M |
930 |
23,0 |
|
78,0 |
78,1 |
0,8 |
5,3 |
25 |
|
1 LE1002-1CC0?-???? |
3,0 |
132 S |
955 |
30,0 |
|
80,0 |
79,4 |
0,7 |
7,3 |
34 |
|
1LE1002-1CC2?-???? |
4,0 |
132 M |
950 |
40,0 |
|
83,0 |
83,4 |
0,8 |
9,2 |
39 |
|
1 LE1002-1CC3?-???? |
5,5 |
132 M |
950 |
55,0 |
|
85,0 |
85,3 |
0,8 |
12,4 |
48 |
|
1 LE1002-1DC2?-???? |
7,5 |
160 M |
970 |
75,0 |
|
86,0 |
85,4 |
0,7 |
17,2 |
72 |
|
1LE1002-1DC4?-???? |
11,0 |
160 L |
965 |
110,0 |
|
87,6 |
87,9 |
0,8 |
23,5 |
92 |
|
8-полюсные, 750 об/мин |
||||||||||
|
1 LE1002-1AD4?-???? |
0,8 |
100 L |
705 |
10,4 |
|
65,4 |
60,2 |
0,6 |
2,7 |
17 |
|
1LE1002-1AD5?-???? |
1,1 |
100 L |
705 |
15,1 |
|
68,3 |
67,6 |
0,6 |
3,7 |
22 |
|
1 LE1002-1BD2?-???? |
1,5 |
112 M |
700 |
20,0 |
|
75,9 |
72,8 |
0,7 |
4,2 |
25 |
|
1 LE1002-1CD0?-???? |
2,2 |
132 S |
715 |
29,0 |
|
81,0 |
80,4 |
0,7 |
5,9 |
37 |
|
1LE1002-1CD2?-???? |
3,0 |
132 M |
710 |
40,0 |
|
81,6 |
81,4 |
0,7 |
7,8 |
44 |
|
1 LE1002-1DD2?-???? |
4,0 |
160 M |
720 |
53,0 |
|
80,0 |
78,7 |
0,7 |
10,4 |
60 |
|
1 LE1002-1DD3?-???? |
5,5 |
160 M |
720 |
73,0 |
|
83,5 |
83,9 |
0,7 |
13,6 |
72 |
|
1LE1002-1DD4?-???? |
7,5 |
160 L |
715 |
100,0 |
|
83,5 |
84,7 |
0,7 |
18,6 |
91 |
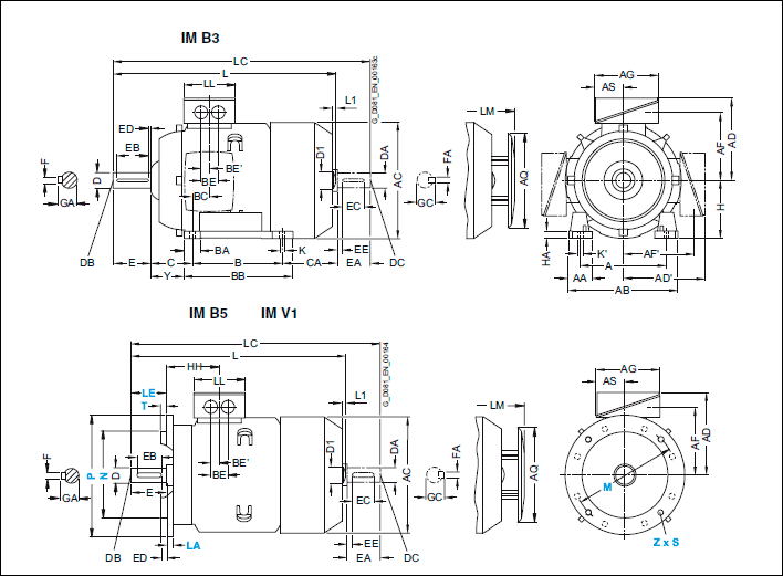
Размеры электродвигателей 1LE1
|
|
![]() |
|
Типоразмер |
Кол-во полюсов |
A |
AA |
AB |
AC |
AD |
AD’ |
AF |
AF’ |
AG |
AQ |
AS |
B* |
BA |
BA’ |
BB |
BC |
BE |
BE’ |
C |
CA* |
H |
HA |
Y1) |
|---|---|---|---|---|---|---|---|---|---|---|---|---|---|---|---|---|---|---|---|---|---|---|---|---|
|
100 L |
2, 4, 6, 8 |
160 |
42 |
196 |
198 |
166 |
166 |
125.5 |
125.5 |
135 |
195 |
63.5 |
140 |
37.5 |
- |
176 |
33.5 50 |
25 |
63 |
141 |
100 |
12 |
45 |
|
|
112 M |
2, 4, 6, 8 |
190 |
46 |
226 |
222 |
177 |
177 |
136.5 |
136.5 |
135 |
195 |
63.5 |
140 |
35.4 |
- |
176 |
26 |
50 |
25 |
70 |
129.7 |
112 |
12 |
52 |
|
132 S |
2, 4, 6, 8 |
216 |
53 |
256 |
262 |
202 |
202 |
159.5 |
159.5 |
155 |
260 |
70.5 |
140 |
38 |
76 2) |
218 3) |
26.5 48 |
24 |
89 |
128.5 4) |
132 |
15 |
69 |
|
|
132 M |
2, 4, 6, 8 |
216 |
53 |
256 |
262 |
202 |
202 |
159.5 |
159.5 |
155 |
260 |
70.5 |
178 |
38 |
76 |
218 |
26.5 48 |
24 |
89 |
128.5 4) |
132 |
15 |
69 |
|
|
160 M |
2, 4, 6, 8 |
254 |
60 |
300 |
314 |
236.5 |
236.5 |
190 |
190 |
175 |
260 |
77.5 |
210 |
44 |
89 5) |
300 6) |
47 |
57 |
28.5 |
108 |
148 7) |
160 |
18 |
85 |
|
160 L |
2, 4, 6, 8 |
254 |
60 |
300 |
314 |
236.5 |
236.5 |
190 |
190 |
175 |
260 |
77.5 |
254 |
44 |
89 |
300 |
47 |
57 |
28.5 |
108 |
148 7) |
160 |
18 |
85 |
* Обозначенный значком параметр прописывается в DIN EN 50347
1) Дополнительная информация: размер не стандартный согласно DIN 50347
2) Резьбовые отверстия в лапах, размер BA ' - 38 мм
3) Резьбовые отверстия в лапах, размер ВВ - 180 мм
4) Резьбовые отверстия в лапах, размер СА - 166,5 мм
5) Резьбовые отверстия в лапах, размер BA ' - 44 мм
6) Резьбовые отверстия в лапах, размер ВВ - 256 мм
7) Резьбовые отверстия в лапах, размер CA - 192 мм
|
Типоразмер |
Кол-во полюсов |
HH |
K |
K' |
L 1)* |
L1 |
D1 |
LC |
LL |
LM |
D |
DB |
E |
EB |
ED |
F |
GA |
DA |
DC |
EA |
EC |
EE |
FA |
GC |
|---|---|---|---|---|---|---|---|---|---|---|---|---|---|---|---|---|---|---|---|---|---|---|---|---|
|
100 L |
2, 4, 6, 8 |
96.5 |
12 |
16 |
395.5 |
7 |
32 |
454 |
112 |
428.5 |
28 |
M10 |
60 |
50 |
5 |
8 |
31 |
24 |
M8 |
50 |
40 |
5 |
8 |
27 |
|
112 M |
2, 4, 6, 8 |
96 |
12 |
16 |
389 |
7 |
32 |
450 |
112 |
422 |
28 |
M10 |
60 |
50 |
5 |
8 |
31 |
24 |
M8 |
50 |
40 |
5 |
8 |
27 |
|
132 S |
2, 4, 6, 8 |
115.5 |
12 |
16 |
465 |
8.5 |
39 |
535.5 |
130 |
500.5 |
38 |
M12 |
80 |
70 |
5 |
10 |
41 |
28 |
M10 |
60 |
50 |
5 |
8 |
31 |
|
132 M |
2, 4, 6, 8 |
115.5 |
12 |
16 |
465 |
8.5 |
39 |
535.5 |
130 |
500.5 |
38 |
M12 |
80 |
70 |
5 |
10 |
41 |
28 |
M10 |
60 |
50 |
5 |
8 |
31 |
|
160 M |
2, 4, 6, 8 |
155 |
15 |
19 |
604 |
10 |
45 |
730 |
145 |
638 |
42 |
M16 |
110 |
90 |
10 |
12 |
45 |
42 |
M16 |
110 |
90 |
10 |
12 |
45 |
|
160 L |
2, 4, 6, 8 |
155 |
15 |
19 |
604 |
10 |
45 |
730 |
145 |
638 |
42 |
M16 |
110 |
90 |
10 |
12 |
45 |
42 |
M16 |
110 |
90 |
10 |
12 |
45 |
1)* длина определяется длиной крышки вентилятора

