- +375 17 552 14 02
- +375 214 49 36 88
- +375 29 341 74 30

Общее описание
Всемирно известная компания Siemens уже не первый год занимается выпуском высококачественных электродвигателей, одним из которых является электродвигатель 1MG7. Конструкция характеризуется взрывозащищенным исполнением, за счет чего электродвигатель рассматривается как оптимальное решение для установки в зонах с повышенной опасностью.
Технические характеристики
Электродвигатель серии 1MG7 характеризуется взрывозащищённым исполнением и, как следствие, возможностью монтажа в зонах повышенной опасности – в шахтных комплексах, в составе оборудования горнодобывающей промышленности и т.д. В электродвигателях представленного класса используются высококачественные искрогасители. Широкий диапазон мощностей оборудования удовлетворит требованиям и пожеланиям заказчиков из различных сфер промышленности: от 18.5кВт до 200кВт. Настолько высокие мощностные показатели обеспечиваются за счет применения в устройстве конструкции уникальной в своем роде системы охлаждения. Показатели частоты вращения: 750, 1000, 1500, 3000об/мин.
Подавляющее большинство электродвигателей 1MG7 имеют КПД, превышающий 90%, несколько отстает от этого показателя 1MG7220-8CB с коэффициентом, равным 88.6%. Несмотря на высокие показатели мощности и оборотов, электродвигатели Siemens 1MG7 имеют минимальный уровень шума и вибраций. Последнее замечание достигается за счет использования прецизионных подшипников и высококачественной изоляции обмоток. К преимуществам Siemens 1MG7 также стоит отнести относительно небольшие габариты, особенно учитывая размеры приводного оборудования прошлых лет.
Технические характеристики 1MG7
|
P, (кВт) |
Габа-рит |
Тип |
n, (об/мин) |
КПД, % |
cosφ |
I,(А) |
M, (Н•м) |
![]() |
![]() |
![]() |
KL |
Ј, ( |
M, (кг) |
|---|---|---|---|---|---|---|---|---|---|---|---|---|---|
|
2 пол, 3000 об/мин, 50Гц. |
|||||||||||||
|
45 |
225M |
1MG7223-2CB |
2955 |
93.9 |
0.9 |
77 |
145 |
2.3 |
6.9 |
2.7 |
13 |
0.24 |
335 |
|
55 |
250M |
1MG7253-2CB |
2965 |
93.7 |
0.9 |
94 |
177 |
2.1 |
6.9 |
2.8 |
13 |
0.45 |
445 |
|
75 |
280S |
1MG7280-2CC |
2975 |
94.7 |
0.9 |
128 |
241 |
1.9 |
7.0 |
2.7 |
10 |
0.79 |
600 |
|
90 |
280M |
1MG7283-2CC |
2975 |
95.1 |
0.91 |
150 |
289 |
2.0 |
7.0 |
2.7 |
10 |
0.92 |
640 |
|
110 |
315S |
1MG7310-2CC |
2980 |
94.8 |
0.9 |
186 |
353 |
1.8 |
7.0 |
2.8 |
10 |
1.30 |
840 |
|
132 |
315M |
1MG7313-2CC |
2980 |
95.1 |
0.9 |
225 |
423 |
1.9 |
7.0 |
2.8 |
10 |
1.50 |
900 |
|
160 |
315L |
1MG7316-2BC |
2980 |
95.5 |
0.91 |
265 |
513 |
1.8 |
7.0 |
2.8 |
10 |
1.80 |
990 |
|
200 |
315L |
1MG7317-2BC |
2980 |
95.9 |
0.92 |
325 |
641 |
1.9 |
7.0 |
2.8 |
10 |
2.30 |
1100 |
|
4 пол, 1500 об/мин, 50Гц. |
|||||||||||||
|
37 |
225S |
1MG7220-4CA |
1475 |
93.0 |
0.86 |
67 |
240 |
2.5 |
7.0 |
3.1 |
16 |
0.44 |
325 |
|
45 |
225M |
1MG7223-4CA |
1475 |
93.4 |
0.87 |
80 |
292 |
2.6 |
7.0 |
3.2 |
16 |
0.52 |
355 |
|
55 |
250M |
1MG7253-4CA |
1480 |
94.0 |
0.87 |
97 |
355 |
2.6 |
6.7 |
2.5 |
16 |
0.79 |
465 |
|
75 |
280S |
1MG7280-4CA |
1485 |
94.7 |
0.86 |
132 |
482 |
2.5 |
6.7 |
2.7 |
16 |
1.40 |
630 |
|
90 |
280M |
1MG7283-4CA |
1485 |
95.0 |
0.86 |
160 |
579 |
2.5 |
6.8 |
2.8 |
16 |
1.60 |
680 |
|
110 |
315S |
1MG7310-4CA |
1488 |
94.8 |
0.86 |
194 |
706 |
2.5 |
7.0 |
2.7 |
16 |
2.20 |
870 |
|
132 |
315M |
1MG7313-4CA |
1488 |
95.5 |
0.86 |
232 |
847 |
2.7 |
7.5 |
3.0 |
16 |
2.70 |
950 |
|
160 |
315L |
1MG7316-4BA |
1488 |
95.7 |
0.87 |
275 |
1030 |
2.6 |
7.3 |
2.6 |
16 |
3.20 |
1060 |
|
200 |
315L |
1MG7317-4BA |
1490 |
96.0 |
0.87 |
345 |
1280 |
2.7 |
7.3 |
2.7 |
16 |
4.20 |
1200 |
|
6 пол, 1000 об/мин, 50Гц. |
|||||||||||||
|
30 |
225M |
1MG7223-6CA |
978 |
92.0 |
0.84 |
56 |
293 |
2.6 |
5.7 |
2.2 |
16 |
0.57 |
330 |
|
37 |
250S |
1MG7253-6CA |
980 |
92.4 |
0.84 |
69 |
361 |
2.6 |
6.0 |
2.1 |
16 |
0.89 |
440 |
|
45 |
280S |
1MG7280-6CA |
982 |
93.0 |
0.86 |
81 |
438 |
2.4 |
6.0 |
2.3 |
16 |
1.30 |
560 |
|
55 |
280M |
1MG7283-6CA |
984 |
93.6 |
0.86 |
99 |
534 |
2.5 |
6.2 |
2.4 |
16 |
1.50 |
600 |
|
75 |
315S |
1MG7310-6CA |
988 |
93.8 |
0.85 |
136 |
725 |
2.4 |
6.2 |
2.5 |
16 |
2.40 |
810 |
|
90 |
315M |
1MG7313-6CA |
988 |
94.2 |
0.85 |
162 |
870 |
2.4 |
6.2 |
2.5 |
16 |
2.90 |
870 |
|
110 |
315L |
1MG7316-6BA |
988 |
94.7 |
0.85 |
198 |
1065 |
2.6 |
6.6 |
2.5 |
16 |
3.50 |
970 |
|
132 |
315L |
1MG7317-6BA |
986 |
94.6 |
0.86 |
235 |
1280 |
2.3 |
6.6 |
2.2 |
16 |
4.30 |
1060 |
|
160 |
315L |
1MG7318-6BA |
988 |
95.0 |
0.87 |
280 |
1550 |
2.4 |
6.6 |
2.3 |
16 |
4.90 |
1100 |
|
8 пол, 750 об/мин, 50Гц. |
|||||||||||||
|
18.5 |
225S |
1MG7220-8CB |
725 |
88.6 |
0.80 |
37.5 |
244 |
2.1 |
5.0 |
2.2 |
13 |
0.58 |
325 |
|
22 |
225M |
1MG7223-8CB |
725 |
90.1 |
0.81 |
43.5 |
290 |
2.1 |
5.0 |
2.2 |
13 |
0.66 |
350 |
|
30 |
250M |
1MG7253-8CB |
730 |
91.6 |
0.81 |
56 |
392 |
2.1 |
5.0 |
2.1 |
13 |
1.10 |
465 |
|
37 |
280S |
1MG7280-8CB |
732 |
92.7 |
0.82 |
70 |
483 |
2.2 |
5.5 |
2.2 |
13 |
1.40 |
570 |
|
45 |
280M |
1MG7283-8CB |
734 |
92.8 |
0.83 |
84 |
585 |
2.2 |
5.5 |
2.2 |
13 |
1.60 |
620 |
|
55 |
315S |
1MG7310-8CB |
738 |
93.1 |
0.82 |
104 |
712 |
2.2 |
6.0 |
2.4 |
13 |
2.30 |
780 |
|
75 |
315M |
1MG7313-8CB |
738 |
93.6 |
0.82 |
140 |
970 |
2.3 |
6.2 |
2.5 |
13 |
3.00 |
890 |
|
90 |
315L |
1MG7316-8BB |
738 |
93.7 |
0.82 |
169 |
1117 |
2.3 |
6.6 |
2.5 |
13 |
3.60 |
990 |
|
110 |
315L |
1MG7317-8BB |
738 |
94.0 |
0.82 |
205 |
1420 |
2.3 |
6.6 |
2.5 |
13 |
4.40 |
1100 |
|
132 |
315L |
1MG7318-8BB |
738 |
94.0 |
0.82 |
245 |
1710 |
2.3 |
6.6 |
2.5 |
13 |
4.80 |
1200 |
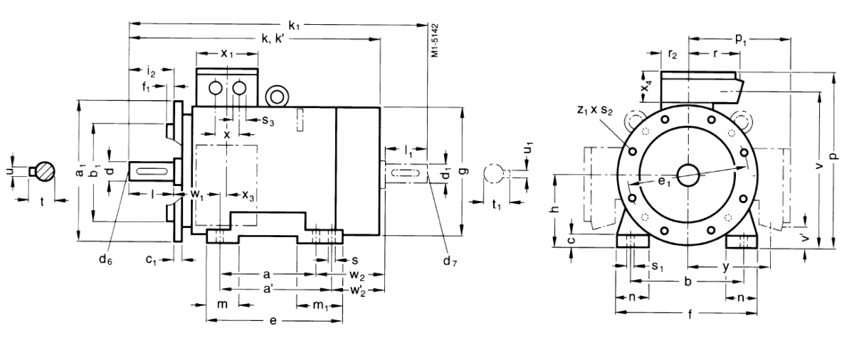
Габаритные и присоединительные размеры
|
Габаритные и присоединительные размеры (лапы, 225S-315L)
|
|||||||||||||||||||||||||||||||||||||||||||||||||||||||||||||||||||||||||||||||||||||||||||||||||||||||||||||||||||||||||||||||||||||||||||||||||||||||||||||||||||||||||||||||||||||||||||||||||||||||||||||||||||||||||||
|
|||||||||||||||||||||||||||||||||||||||||||||||||||||||||||||||||||||||||||||||||||||||||||||||||||||||||||||||||||||||||||||||||||||||||||||||||||||||||||||||||||||||||||||||||||||||||||||||||||||||||||||||||||||||||||
|
|||||||||||||||||||||||||||||||||||||||||||||||||||||||||||||||||||||||||||||||||||||||||||||||||||||||||||||||||||||||||||||||||||||||||||||||||||||||||||||||||||||||||||||||||||||||||||||||||||||||||||||||||||||||||||
|
Габаритные и присоединительные размеры (фланец. 225S-315M)
|
||||||||||||||||||||||||||||||||||||||||||||||||||||||||||||||||||||||||||||||||||||||||||||||||||||||||||||||||||||||||||||||||||||||||||||||||||||||||||||||||||||||||||||||||||||||||||||||||||||||||||||||||||||||||||||||||||||||||||||||||||||||||||||||||||||||||||||||||||||||||||||||||||||||||||||||||||||||
|
||||||||||||||||||||||||||||||||||||||||||||||||||||||||||||||||||||||||||||||||||||||||||||||||||||||||||||||||||||||||||||||||||||||||||||||||||||||||||||||||||||||||||||||||||||||||||||||||||||||||||||||||||||||||||||||||||||||||||||||||||||||||||||||||||||||||||||||||||||||||||||||||||||||||||||||||||||||
|
Габаритные и присоединительные размеры (фланец. 225S-315M)
|
|||||||||||||||||||||||||||||||||||||||||||||||||||||||||||||||||||||||||||||||||||||||||||||||||||||||||||||||||||||||||||||||||||||||||||||||||||||||||||||||||||||||||||||||||||||||||||||||||||||||||||||||||||||||||||||||||||||||||||||||||||||||||||||||||||||||||||||||||||||||||||||||||||||||||||||||||||||||||||||||||||||||||||||||||||||||||||||||||||||||||||||||||||||||||||||||||||||||||||||||||||||||||||||
|



)

