- +375 17 552 14 02
- +375 214 49 36 88
- +375 29 341 74 30

Общее описание
Предназначены для установки на технологическое оборудование и механизмы различной степени сложности. Частота вращения вала находится в прямой зависимости от показателей типоразмеров той или иной модели электродвигателя. Особенности крепления: фланец, лапы.
Технические характеристики
Оборудование используется в целях создания вращающего момента, монтаж и установка производится на различные технологические агрегаты и механизмы. Показатели мощности электродвигателей 1LA9: Р=0,2–2,5кВт. Диапазон частоты вращения: 1500-3000об/мин. Питание трехфазных электродвигателей: промышленная сеть 380В, частота 50Гц. Габаритный разброс моделей серии 1LA9 от 56М до 160L. Установка осуществляется как при помощи фланца, так и с использованием лап. Надежную фиксацию зубчатого колеса/шестерни/шкива обеспечивает шпоночное соединение. Характеристики шпонок (зависят от конкретного типоразмера устройства): от 3×3мм до 8×7мм.
Технические характеристики 1LA9
|
P, (кВт) |
Габа-рит |
Тип |
n, (об/мин) |
КПД, % |
cosφ |
I,(А) |
M, (Н•м) |
![]() |
![]() |
![]() |
KL |
Ј, ( |
M, (кг) |
|---|---|---|---|---|---|---|---|---|---|---|---|---|---|
|
2 пол, 3000 об/мин, 50Гц. |
|||||||||||||
|
0.2 |
56М |
1LA9053-2АА |
2830 |
69.0 |
0.82 |
0.50 |
0.67 |
2.1 |
4.5 |
2.3 |
16 |
0.00020 |
4 |
|
0.33 |
63M |
1LA9060-2АА |
2775 |
68.0 |
0.83 |
0.88 |
1.1 |
2.3 |
4.4 |
2.2 |
16 |
0.00022 |
4 |
|
0.45 |
1LA9063-2АА |
2720 |
68.0 |
0.82 |
1.15 |
1.6 |
2.2 |
4.2 |
2.3 |
16 |
0.00026 |
5 |
|
|
0.65 |
71 |
1LA9070-2АА |
2720 |
72.0 |
0.82 |
1.57 |
2.3 |
2.4 |
4.5 |
2.5 |
16 |
0.00041 |
6 |
|
0.94 |
1LA9073-2АА |
2735 |
73.0 |
0.82 |
2.3 |
3.3 |
2.5 |
4.8 |
2.4 |
16 |
0.00050 |
7 |
|
|
1.45 |
80M |
1LA9080-2АА |
2820 |
76.0 |
0.82 |
3.3 |
4.9 |
3.1 |
6.7 |
3.1 |
16 |
0.0010 |
10 |
|
1.75 |
1LA9083-2АА |
2840 |
77.0 |
0.86 |
4.0 |
5.9 |
3.7 |
7.4 |
3.5 |
16 |
0.0013 |
12 |
|
|
2.9 |
90S |
1LA9090-2АА |
2825 |
81.0 |
0.87 |
6.3 |
9.8 |
3.2 |
6.5 |
3.0 |
16 |
0.0018 |
15 |
|
3.8 |
90L |
1LA9096-2АА |
2810 |
81.0 |
0.85 |
7.9 |
13 |
3.1 |
6.5 |
2.7 |
16 |
0.0022 |
18 |
|
4.4 |
100L |
1LA9106-2АА |
2880 |
82.0 |
0.85 |
9.3 |
15 |
3.0 |
7.8 |
3.2 |
16 |
0.0044 |
24 |
|
6.5 |
112M |
1LA9113-2АА |
2900 |
85.0 |
0.85 |
13.3 |
21 |
3.0 |
8.6 |
3.8 |
16 |
0.0077 |
35 |
|
9.0 |
132S |
1LA9130-2АА |
2915 |
87.0 |
0.90 |
16.6 |
29 |
2.0 |
6.4 |
2.6 |
16 |
0.019 |
43 |
|
11.0 |
1LA9131-2АА |
2915 |
87.0 |
0.89 |
22.5 |
39 |
3.0 |
7.4 |
3.2 |
16 |
0.024 |
56 |
|
|
18.0 |
160M |
1LA9163-2АА |
2920 |
89.0 |
0.87 |
33.5 |
59 |
2.2 |
7.0 |
3.1 |
16 |
0.044 |
73 |
|
21.0 |
160M |
1LA9164-2АА |
2930 |
90.0 |
0.91 |
37.0 |
68 |
2.0 |
6.9 |
2.7 |
16 |
0.051 |
82 |
|
26.0 |
160L |
1LA9164-2АА |
2935 |
91.0 |
0.91 |
45.5 |
85 |
2.2 |
7.7 |
3.2 |
16 |
0.065 |
102 |
|
4 пол, 1500 об/мин, 50Гц. |
|||||||||||||
|
0.14 |
56M |
1LA9053-4LА |
1387 |
62.0 |
0.74 |
0.44 |
0.97 |
2.3 |
3.5 |
2.2 |
16 |
0.00035 |
4 |
|
0.21 |
63M |
1LA9060-4LА |
1335 |
60.0 |
0.77 |
0.66 |
1.5 |
2.1 |
2.9 |
2.1 |
16 |
0.00037 |
4 |
|
0.29 |
1LA9063-4LА |
1330 |
60.0 |
0.71 |
0.98 |
2.1 |
2.3 |
2.9 |
2.3 |
16 |
0.00045 |
5 |
|
|
0.45 |
71M |
1LA9070-4LА |
1340 |
64.0 |
0.71 |
1.50 |
3.2 |
2.3 |
3.4 |
2.3 |
16 |
0.00076 |
6 |
|
0.60 |
1LA9073-4LА |
1340 |
70.0 |
0.75 |
1.65 |
4.3 |
2.3 |
3.6 |
2.3 |
16 |
0.00095 |
7 |
|
|
0.90 |
80M |
1LA9080-4LА |
1340 |
70.0 |
0.81 |
2.30 |
6.4 |
2.3 |
4.1 |
2.4 |
16 |
0.0017 |
10 |
|
1.25 |
1LA9083-4LА |
1340 |
70.0 |
0.83 |
3.10 |
8.9 |
2.7 |
4.5 |
2.4 |
16 |
0.0024 |
12 |
|
|
1.8 |
90S |
1LA9090-4LА |
1480 |
77.0 |
0.86 |
3.90 |
12 |
2.4 |
5.1 |
2.4 |
16 |
0.0033 |
15 |
|
2.5 |
90L |
1LA9096-4LА |
1490 |
76.0 |
0.81 |
5.90 |
17 |
2.5 |
5.1 |
2.3 |
16 |
0.0040 |
18 |
|
4.0 |
100L |
1LA9107-4LА |
1410 |
77.0 |
0.81 |
9.20 |
27 |
2.7 |
6.0 |
3.0 |
16 |
0.0062 |
25 |
|
5.5 |
112M |
1LA9113-4LА |
1440 |
82.0 |
0.80 |
12.1 |
36 |
3.0 |
6.8 |
3.0 |
16 |
0.014 |
37 |
|
8.6 |
132S |
1LA9130-4LА |
1440 |
84.0 |
0.83 |
17.8 |
57 |
2.3 |
6.8 |
2.7 |
16 |
0.023 |
45 |
|
11.0 |
132M |
1LA9133-4LА |
1450 |
85.0 |
0.83 |
22.5 |
72 |
2.8 |
7.4 |
3.1 |
16 |
0.029 |
60 |
|
17.0 |
160M |
1LA9163-4LА |
1455 |
88.0 |
0.84 |
33.0 |
112 |
2.9 |
7.5 |
2.8 |
16 |
0.055 |
81 |
|
22.0 |
160L |
1LA9164-4LА |
1455 |
88.0 |
0.82 |
44.0 |
144 |
3.1 |
8.3 |
3.4 |
16 |
0.072 |
107 |
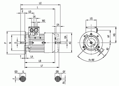
Габаритные и присоединительные размеры электродвигателя 1LA9
|
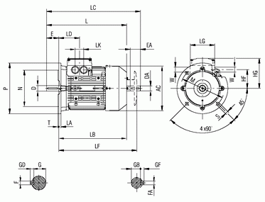
Габаритные и присоединительные размеры электродвигателя 1LA9 с 56 по 90 габарит (IMB3-лапы)
|
|
||||||||||||||||||||||||||||||||||||||||||||||||||||||||||||||||||||||||||||||||||||||||||||||||||||||||||||||||||||||||||||||||||||||||||||||||||||||||||||||||||||||||||||||||||||||||||||||||||||||||||||||||||||||||||||||||||||||||||||||||||
![]() |
|
||||||||||||||||||||||||||||||||||||||||||||||||||||||||||||||||||||||||||||||||||||||||||||||||||||||||||||||||||||||||||||||||||||||||||||||||||||||||||||||||||||||||||||||||||||||||||||||||||||||||||||||||||||||||||||||||||||||||||||||||||
|
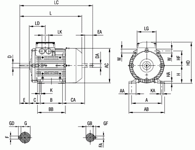
Габаритные и присоединительные размеры электродвигателя 1LA9 с 100 по 160 габарит (IMB3-лапы)
|
|
||||||||||||||||||||||||||||||||||||||||||||||||||||||||||||||||||||||||||||||||||||||||||||||||||||||||||||||||||||||||||||||||||||||||||||||||||||||||||||||||||||||||||||||||||||||||||||||||||||||||||||||||||||||||||||||||||||||||||||||||||
|
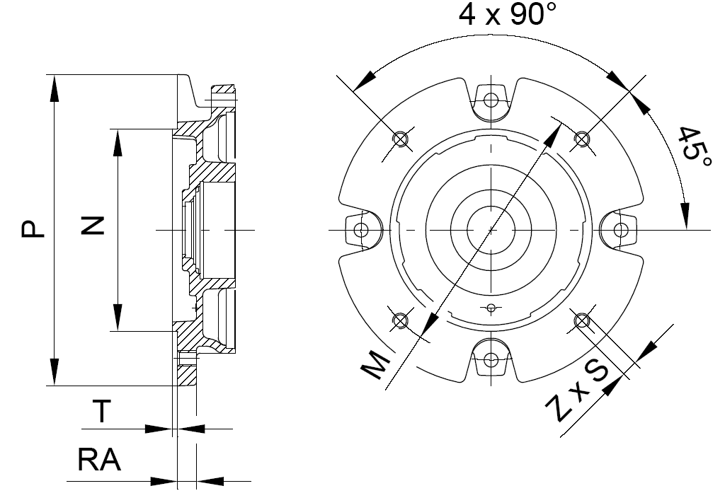
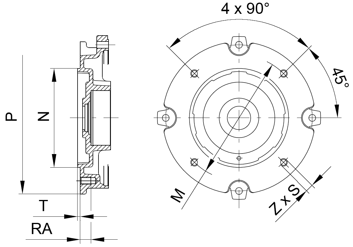
Габаритные и присоединительные размеры электродвигателя 1LA9 с 100 по 160 габарит (IMB5-фланец)
|
|
||||||||||||||||||||||||||||||||||||||||||||||||||||||||||||||||||||||||||||||||||||||||||||||||||||||||||||||||||||||||||||||||||||||||||||||||||||||||||||||||||||||||||||||||||||||||||||||||||||||||||||||||||||||||||||||||||||||||||||||||||
|
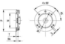
Размеры для габарита 56-80 (IMB14 - меньший)
|
|
||||||||||||||||||||||||||||||||||||||||||||||||||||||||||||||||||||||||||||||||||||||||||||||||||||||||||||||||||||||||||||||||||||||||||||||||||||||||||||||||||||||||||||||||||||||||||||||||||||||||||||||||||||||||||||||||||||||||||||||||||
|
Размеры для габарита 56-80 (IMB14 - больший)
|
|
||||||||||||||||||||||||||||||||||||||||||||||||||||||||||||||||||||||||||||||||||||||||||||||||||||||||||||||||||||||||||||||||||||||||||||||||||||||||||||||||||||||||||||||||||||||||||||||||||||||||||||||||||||||||||||||||||||||||||||||||||
|
Размеры для габарита 90-100 (IMB14 - меньший)
|
|
||||||||||||||||||||||||||||||||||||||||||||||||||||||||||||||||||||||||||||||||||||||||||||||||||||||||||||||||||||||||||||||||||||||||||||||||||||||||||||||||||||||||||||||||||||||||||||||||||||||||||||||||||||||||||||||||||||||||||||||||||
|
Размеры для габарита 90-100 (IMB14 - больший)
|
|
||||||||||||||||||||||||||||||||||||||||||||||||||||||||||||||||||||||||||||||||||||||||||||||||||||||||||||||||||||||||||||||||||||||||||||||||||||||||||||||||||||||||||||||||||||||||||||||||||||||||||||||||||||||||||||||||||||||||||||||||||
|
Размеры для габарита 112-160 (IMB14 - меньший)
|
|
||||||||||||||||||||||||||||||||||||||||||||||||||||||||||||||||||||||||||||||||||||||||||||||||||||||||||||||||||||||||||||||||||||||||||||||||||||||||||||||||||||||||||||||||||||||||||||||||||||||||||||||||||||||||||||||||||||||||||||||||||
|
Размеры для габарита 112-160 (IMB14 - больший)
|
|
||||||||||||||||||||||||||||||||||||||||||||||||||||||||||||||||||||||||||||||||||||||||||||||||||||||||||||||||||||||||||||||||||||||||||||||||||||||||||||||||||||||||||||||||||||||||||||||||||||||||||||||||||||||||||||||||||||||||||||||||||



)








